全ての商品から
FRP材料セット・工具セット
小分FRP材料
FRP樹脂
光硬化(紫外線硬化)FRP
エポキシ樹脂
ポリウレタンゴム注型樹脂
硬化剤・促進剤・パラフィン・添加剤
離型剤・離型フィルム
洗浄液・うすめ液
ガラス繊維
マイクロガラスクロス
シルバークロス
カーボン繊維
アラミド繊維
樹脂繊維
コアマット・ユピカマット
樹脂充填材・添加剤
FRP工具
型材料・FRP用型製作
接着剤(スコットベーダー)
FRP防水用部品
FRP部品・FRP製品
その他商品
防護服
FRP防水用 D50YL、50AヨコFRPドレン250L,1箱50個入
FRP防水用 ウレタン防水用 SYC、50Aヨコステンレスストレーナー(電解研磨),1箱100個入
FRP防水用 D50T、50AタテFRPドレン,1箱100個入
一般用ポリエステル樹脂(オルソフタル酸系),20kg【リゴラック 158BQTN】
FRP防水用 ウレタン防水用 SYS、ヨコアルミストレーナー(シルバー),1箱100個入
FRP材料セット・工具セット
小分FRP材料
FRP樹脂
光硬化(紫外線硬化)FRP
エポキシ樹脂
ポリウレタンゴム注型樹脂
硬化剤・促進剤・パラフィン・添加剤
離型剤・離型フィルム
洗浄液・うすめ液
ガラス繊維
マイクロガラスクロス
シルバークロス
カーボン繊維
アラミド繊維
樹脂繊維
コアマット・ユピカマット
樹脂充填材・添加剤
FRP工具
型材料・FRP用型製作
接着剤(スコットベーダー)
FRP防水用部品
FRP部品・FRP製品
その他商品
防護服
» カートの中身を見る
ホーム
>
FRP部品・FRP製品
>
FRPグレーチング
FRPグレーチング金具,C-40,開口ピッチ40×40×40H固定用
型番
K0891100
販売価格
385円(本体350円、税35円)
購入数
個
» 特定商取引法に基づく表記 (返品など)
販売単位:1本,標準発送:3日〜6日
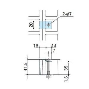
FRPグレーチング金具,C-40,開口ピッチ40×40×40H固定用
FRP製グレーチングの固定に使うステンレス製金具です。
取付金具のみのご購入の場合、取寄費用1,050円が加算となります。
送料:80サイズ以下860円・100サイズ以上1100円、(ただし北海道・沖縄は見積)/宅急便1箱。もちろん同梱包可能です。
最近チェックした商品
FRPグレーチング金具,C-25,開口ピッチ25×25×25H固定用
385円(本体350円、税35円)
FRPグレーチング,指定寸法×25H(開口ピッチ40×40,ライトグレー)
1円(本体1円、税0円)